Generic
Generic T-Track Intersection Kit – 4 Sets for Woodworking Jigs
Generic T-Track Intersection Kit – 4 Sets for Woodworking Jigs
Couldn't load pickup availability
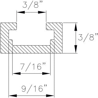
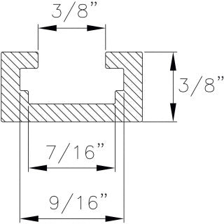
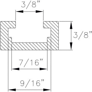
This generic T-Track intersection kit is designed to securely join intersecting T-tracks in woodworking jigs, fixtures, and worktables. Ideal for creating custom layouts, the kit allows T-tracks to cross cleanly and remain firmly aligned. Made from durable metal components, it provides strength and stability for precision woodworking applications in both professional and DIY workshops.
Key Features
-
Designed for intersecting T-track installations
-
Allows clean, secure T-track crossings
-
Ideal for woodworking jigs and fixtures
-
Durable metal construction for long service life
-
Suitable for professional and DIY woodworking setups
-
Includes 4 complete intersection sets
Specification
-
Product Type: T-Track Intersection Kit
-
Number of Sets: 4
-
Compatibility: Standard T-track systems
-
Material: Metal
-
Finish: Natural / metallic
-
Application: Woodworking jigs, fixtures, worktables
Share
